
C6122-20-20-JJ by Kurt Hydraulics | Ultra High Pressure Skive Style | Code 61 Flange | 22° Elbow | for 1-1/4" Hose ID
by Kurt Hydraulics
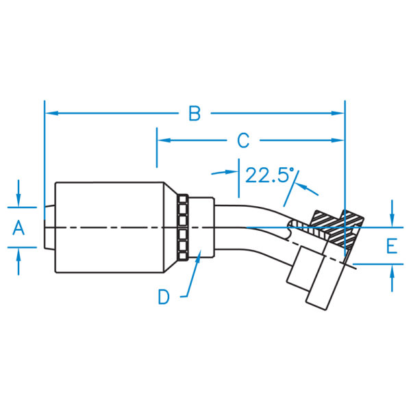
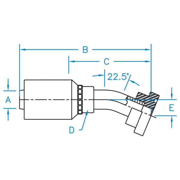
C6122-JJ - Code 61 Flange 22 deg. Bent Tube Rigid - Ultra High Pressure Skive Style
Kurt Fittings and Hose should only be used together.
| Buy More, Save More! | |
| Quantity | Price Each |
| 5–19 | $73.73 |
| 20–59 | $66.67 |
| 60+ | $58.83 |
Discounts applied in cart/checkout.
Product Data:
Series:
Shape:
22 Degree
Ends Configuration:
| Part Number | A | B | C | D | E |
Hose ID (In) |
Thread |
|---|---|---|---|---|---|---|---|
| C6122-20-20-JJ | 1.250 | 5.870 | 3.270 | 1-3/4R | 0.477 | 1-1/4" | N/A |
| C6122-24-24-JJ | 1.500 | 6.898 | 4.188 | 2-4/8R | 0.670 | 1-1/2" | N/A |
| C6122-24-32-JJ | 1.500 | 6.898 | 4.188 | 2-1/8R | 0.676 | 1-1/2" | N/A |
| C6122-32-32-JJ | 2.000 | 8.680 | 4.880 | 2-3/4R | 0.970 | 2.000" | N/A |

